Menu

Strona Główna O nas Oferta Katalogi Kontakt

Produkcja tulejek ślizgowych na zamówienie,

to usługa, która pozwala na uzyskanie komponentów idealnie dopasowanych do specyficznych wymagań danej aplikacji, kiedy standardowe rozwiązania dostępne na rynku nie spełniają wszystkich kryteriów. To kluczowe dla optymalizacji wydajności, trwałości i kosztów w złożonych konstrukcjach maszyn.

Produkcja tulejek ślizgowych na zamówienie

 Zwiększ niezawodność swoich maszyn i urządzeń, wybierając profesjonalną produkcję tulejek ślizgowych na zamówienie. Jesteśmy Twoim partnerem w dostarczaniu komponentów, które spełniają najwyższe standardy jakości i precyzji. Niezależnie od branży – od motoryzacji i rolnictwa po przemysł ciężki i maszynowy – dostarczamy tuleje, które doskonale dopasują się do Twoich potrzeb.

 

Dlaczego warto wybrać naszą ofertę?

 

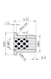
  • Produkcja na zamówienie: Realizujemy indywidualne projekty na podstawie dostarczonego rysunku technicznego lub specyfikacji. Dzięki temu masz pewność, że otrzymasz tulejki, które są idealnie dopasowane do Twoich maszyn.

  • Wysoka precyzja i jakość: Wykorzystujemy nowoczesne technologie obróbki skrawaniem, aby zagwarantować najwyższą dokładność wykonania. Nasze tulejki charakteryzują się optymalną gładkością powierzchni i ścisłymi tolerancjami, co zapewnia długą żywotność i bezawaryjną pracę.

  • Szeroki wybór materiałów: Oferujemy tulejki wykonane z różnorodnych materiałów, dostosowanych do specyficznych warunków pracy, takich jak:

    • Brąz (brąz cynowo-ołowiowy, brąz aluminiowy): Doskonały do zastosowań w łożyskach, gdzie wymagana jest odporność na zużycie i korozję.

    • Mosiądz: Wykorzystywany do tulejek, gdzie ważna jest odporność na korozję, a także dobre właściwości ślizgowe.

    • Stal: Zapewnia wysoką wytrzymałość na obciążenia i twardość.

    • Inne materiały: Jesteśmy otwarci na produkcję z innych materiałów, zgodnie z Twoimi wymaganiami.

  • Szybka realizacja: Rozumiemy, jak ważny jest czas. Nasze procesy produkcyjne są zoptymalizowane, aby zapewnić szybką realizację zamówień, bez kompromisów w kwestii jakości.

  • Ilości hurtowe i detalicze: realizujemy zamówienia ilości hurtowych pod produkcje seryjne oraz jednostkowe zamówiania detaliczne.
  • Kompleksowa obsługa: Oferujemy doradztwo techniczne na każdym etapie – od wyboru materiału po finalne wykonanie. Pomagamy znaleźć najlepsze rozwiązanie dla Twojej aplikacji.

 

Na pierwszym planie zdjęcia widać dużą maszynę CNC z otwartą osłoną, która odsłania narzędzie robocze i metalowy element. Przed maszyną stoi pracownik w niebieskim uniformie i ochronnych rękawicach, który jest pochylony nad panelem sterowania, prawdopodobnie wprowadzając ustawienia lub monitorując proces produkcji.  W tle, za plecami pracownika, znajduje się druga, podobna maszyna. Na stoliku przed nią leżą różne metalowe części, w tym gotowe tuleje ślizgowe oraz surowce. Pomieszczenie, w którym odbywa się produkcja, jest jasne, czyste i dobrze zorganizowane. Ściany są pomalowane na jasny kolor, a podłoga jest schludna, co świadczy o wysokiej dbałości o porządek w miejscu pracy.  Oświetlenie jest równomierne i silne, co podkreśla precyzję wykonywanej pracy. Całość daje wrażenie nowoczesnego, efektywnego i czystego procesu produkcji przemysłowej.

 

Zastosowanie naszych tulejek

 

Nasze tulejki ślizgowe znajdują zastosowanie w wielu gałęziach przemysłu, w tym w:

  • Maszynach rolniczych i budowlanych

  • Motoryzacji

  • Sprzęcie ciężkim

  • Pompach i zaworach

  • Urządzeniach hydraulicznych

 

Skontaktuj się z nami już dziś i przedstaw swój projekt! Gwarantujemy satysfakcję i komponenty, które sprostają największym wyzwaniom. Przygotujemy bezpłatną wycenę i doradzimy, jakie rozwiązanie będzie dla Ciebie najkorzystniejsze.

 

Na zdjęciu widać nowoczesny zakład produkcyjny firmy DAKAM, specjalizującej się w produkcji tulejek ślizgowych.  Centralnym punktem ujęcia jest strefa kontroli jakości, gdzie pracownik w białym fartuchu i z lupą w ręku dokładnie sprawdza partię gotowych tulejek. W tle widać rzędy maszyn, prawdopodobnie tokarek i szlifierek, które są zautomatyzowane i obsługują je nieliczni pracownicy. Na jednym z paneli sterowania widać logo firmy DAKAM.  Pomieszczenie jest jasne, dobrze oświetlone i bardzo czyste. Na stole kontrolnym leżą precyzyjne przyrządy pomiarowe, takie jak suwmiarka cyfrowa i mikrometr. Gotowe tulejki są ułożone w przezroczystych plastikowych pojemnikach, czekając na spakowanie i wysyłkę.  Całość zdjęcia sugeruje wysoką precyzję, dbałość o detale i profesjonalizm, które są kluczowe w procesie produkcji tak specjalistycznych komponentów, jak tulejki ślizgowe.

 

Zlecenie produkcji tulejek na wymiar jest uzasadnione w wielu sytuacjach:

  • Niestandardowe wymiary: Gdy wymagana jest nietypowa średnica wewnętrzna, zewnętrzna, długość, grubość ścianki lub specjalne tolerancje, których nie ma w katalogach producentów.

  • Specjalne warunki pracy: Aplikacje w ekstremalnych temperaturach (bardzo niskich lub bardzo wysokich), w środowiskach chemicznie agresywnych, w próżni, pod bardzo dużym obciążeniem lub w warunkach wymagających całkowitej suchości lub braku smarowania.

  • Wymagania materiałowe: Konieczność zastosowania konkretnego materiału o unikalnych właściwościach (np. specyficzny stop brązu, niestandardowy kompozyt polimerowy, specjalny rodzaj wkładki grafitowej), którego nie oferują standardowe serie.

  • Złożone kształty i wykończenia: Tulejki z rowkami smarnymi o nietypowym kształcie, otworami, kołnierzami o specjalnym profilu, nacięciami, czy niestandardowym wykończeniem powierzchni.

  • Wysoka precyzja i tolerancje: Kiedy standardowe tolerancje produkcyjne są zbyt szerokie i wymagana jest wyjątkowa dokładność wymiarowa i kształtowa.

  • Prototypowanie i rozwój produktu: Do testowania nowych rozwiązań lub w fazie rozwoju nowej maszyny, gdzie optymalizacja komponentów jest kluczowa.

  • Małe i średnie serie: W przypadku zapotrzebowania na konkretne tulejki w ilościach, które nie uzasadniają masowej produkcji, ale są zbyt duże do ręcznej obróbki.

  • Optymalizacja kosztów i wydajności: Często, choć początkowy koszt jednostkowy może być wyższy niż standardowej tulei, idealne dopasowanie przekłada się na dłuższą żywotność całego podzespołu, mniejsze zużycie energii i redukcję przestojów, co w dłuższej perspektywie generuje oszczędności.

Loading…
Loading the web debug toolbar…
Attempt #